Réserver un appel

Edit Template

⚙️ Qu’est-ce qu’un capteur de position ?

Un capteur de position est un dispositif électronique chargé de détecter la position précise d’un élément mobile du moteur, comme le vilebrequin, l’arbre à cames, ou le papillon des gaz. Il envoie cette information au calculateur moteur, qui s’en sert pour ajuster avec précision les paramètres de fonctionnement : injection, allumage, ralenti, ou gestion de l’admission.

➡️ Une seule mauvaise information de ce capteur peut provoquer des ratés moteur, un fonctionnement irrégulier, un démarrage difficile, ou une consommation excessive.

1- PRINCIPE DE MESURE À EFFET HALL:

  • la variation de champ magnétique dans un élément à effet Hall alimenté, crée une tension perpendiculaire à l’alimentation

    L’orientation du champ magnétique fait varier la tension de Hall proportionnellement.

    ension

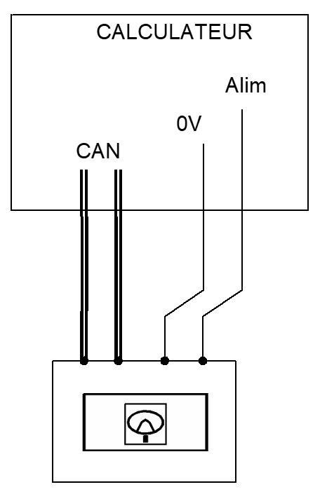
🔌 BRANCHEMENT ÉLECTRIQUE :

  1. CAPTEUR DE PÉDALE D’ACCÉLÉRATION
  2. BRANCHEMENT DU CAPTEUR DE RÉFÉRENCE CYLINDRE

🛠️ CONSTITUTION DU CAPTEUR DE RÉFÉRENCE CYLINDRE:

🛠️ CONSTITUTION DE PÉDALE D’ACCÉLÉRATION

LVV : limiteur de vitesse véhicule

Contacteur LVV chez Peugeot : Les pédales sont équipées d’un capteur point dur qui sert pour le limiteur/régulateur de vitesse et la boite auto.
Quand il est actionné, il coupe le limiteur de vitesse.

un capteur effet Hall à deux voies peut être utilisé pour mesurer la position angulaire d’un arbre de transmission. Dans ce cas, les deux voies de mesure sont utilisées pour détecter la rotation de l’arbre dans les deux sens.

Il existe également des capteurs effet Hall à trois ou quatre voies, qui sont souvent utilisés dans les applications de moteurs électriques, pour mesurer la vitesse, la position et le courant.

En somme, le nombre de voies de capteur effet Hall dépend de l’application et des exigences de mesure spécifiques.

📉 EXPLOITATION DU PRINCIPE DE MESURE:

2- PRINCIPE DE MESURE INDUCTIF:

la variation de champ magnétique dans un bobinage crée une tension

un enroulement primaire alimenté en alternatif

un enroulement secondaire induit

un rotor qui modifie l ’induction

CONSTITUTION DU CAPTEUR DE DÉBATTEMENT

🔌 BRANCHEMENT ÉLECTRIQUE :

la variation de champ magnétique dans un bobinage crée une tension

un enroulement primaire alimenté en alternatif

un enroulement secondaire induit

un rotor qui modifie l ’induction

BRANCHEMENT DU CAPTEUR DE DÉBATTEMENT

EXPLOITATION DU PRINCIPE DE MESURE

– L’étage électronique transforme le courant continu en alternatif

– l ’étage électronique traite le signal du secondaire pour délivrer soit:

  • un signal de tension proportionnel à la position
  • soit un signal sous la forme d’un rapport cyclique

3- PRINCIPE DE MESURE OPTO-ÉLECTRIQUE:

transformation du mouvement en signaux lumineux

« Capteur angle volant »

un diode émettrice de lumière

un disque cible constitué de 2 rangées décalées concentriques de petites fenêtres

plusieurs diodes réceptrices qui détectent les impulsions lumineuses

🛠️ CONSTITUTION DU CAPTEUR :

EXPLOITATION DU PRINCIPE DE MESURE

  • L’étage électronique détermine le sens de rotation (angle de décalage), la vitesse (fréquence des impulsions) et l’angle (nb d’impulsions).
  •  
  • L’étage électronique traite le signal qui est mis en forme par la commande sous volant sur le CAN.

🔌 BRANCHEMENT ÉLECTRIQUE :

EXEMPLES DE BRANCHEMENT DE CAPTEUR DE POSITION OPTO-ÉLECTRIQUE

4- PRINCIPE DE MESURE MAGNÉTO-RÉSISTIF

la résistance de l ’élément varie avec le champ magnétique

« Capteur Angle volant »

un pignon menant tournant avec le volant

un pignon avec aimant, de N dents, mené

un pignon avec aimant, de N +1 dents, mené

deux éléments Magnéto-résistifs détectent la valeur du déphasage de chacun des pignons menés

🛠️ CONSTITUTION DU CAPTEUR :

🔍 DIAGNOSTIC:

🧩 Contrôle de l’élément

  • Contrôler la fixation et l’entrefer du capteur
  • Contrôler l’état de la cible

📈 Signal :

  • 📊 Mesure des paramètres

  • 📉 Oscilloscope et boîte à bornes pilotée, pour vérifier les valeurs

  • 🔌 Voltmètre et boîte à bornes pilotée, pour vérifier les valeurs

Contrôle des besoins électriques

  • 🔋 Contrôler l’alimentation (sauf inductif)

  • 🧲 Contrôler la masse : le capteur prend sa masse via le calculateur

🧵 Contrôle de faisceau

  • 🔄 Continuité

  • 🚫 Isolement :
      • par rapport au +
      • par rapport à la masse
      • entre les fils

Envie d’aller plus loin ?

➡️ Inscrivez-vous dès maintenant à nos formations en diagnostic auto et donnez un coup de boost à votre carrière ! 💪

Contactez-nous par formulaire, email ou WhatsApp, nous vous répondrons rapidement.

Liens rapides

SOFTWARE

USB BOOTABLE

DIAGZONE

FAQ

Horaires de travail

Joignable sur WhatsApp à tout moment